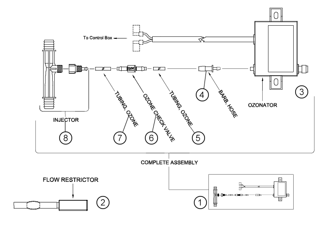
76024 Monarch Ozone Complete

In Stock

76024 Monarch Ozone Complete

  $279.20

This part is a replacement Monarch ozone complete for select Caldera spa models. Out with the old and in with the new complete ozone kit.

heroicons/outline/truck-delivery Usually Ships Within 2 Business Days
Buy with Confidence: payment

Customers who bought this also bought

$13.95

Out of stock

$351.00
$415.17
$41.44
$31.76
$84.95
$181.00
$206.64
$653.00
$38.97
$9.63

Out of stock

$67.78
$6.34
$87.26
$133.75
$507.00
$384.16
$76.15

Out of stock

$289.00
$55.24
chevron-right-2
chevron-left-2
Product Description
Product Specifications
Questions